Profile Picture

Wanted: Standard air cleaner section.

Posted By comrade-paul 17 Years Ago
You don't have permission to rate!
Author
Message
comrade-paul
Posted 17 Years Ago
View Quick Profile
Supercharged

Supercharged (97 reputation)Supercharged (97 reputation)Supercharged (97 reputation)Supercharged (97 reputation)Supercharged (97 reputation)Supercharged (97 reputation)Supercharged (97 reputation)Supercharged (97 reputation)Supercharged (97 reputation)

Group: Forum Members
Last Active: 15 Years Ago
Posts: 97, Visits: 190
Thanks !!

  Picture taken in 1960. Funnily enough it still looks like this! BigGrin

1959 Mercury Monterey 312 Y Block.   NORFOLK, ENGLAND, UK.

2DRHRDTP57
Posted 17 Years Ago
View Quick Profile
Supercharged

Supercharged (213 reputation)Supercharged (213 reputation)Supercharged (213 reputation)Supercharged (213 reputation)Supercharged (213 reputation)Supercharged (213 reputation)Supercharged (213 reputation)Supercharged (213 reputation)Supercharged (213 reputation)

Group: Forum Members
Last Active: 9 Years Ago
Posts: 207, Visits: 1.8K
bigmauto@colusanet.com

Paul british comrade,

Email John Fowlie at the above email address, he operates Big M (mercury) Auto - salvage yard, He will be able to help I would say with a used part for you. I know the part u mean some edsels had it to, a duct that pulls heat from the exhaust manifold to the intake,

Has other 50's 60's cars also.

Regards

1957 ________________ Ford

\___((_______________))___/

(@)________V__________(@)

[________I_____I_________]

__[__]__ o_______o___[__]___



Y Blocks, The New Flathead!

Teros292
Posted 17 Years Ago
View Quick Profile
Supercharged

Supercharged (150 reputation)Supercharged (150 reputation)Supercharged (150 reputation)Supercharged (150 reputation)Supercharged (150 reputation)Supercharged (150 reputation)Supercharged (150 reputation)Supercharged (150 reputation)Supercharged (150 reputation)

Group: Forum Members
Last Active: 3 Years Ago
Posts: 129, Visits: 12.3K
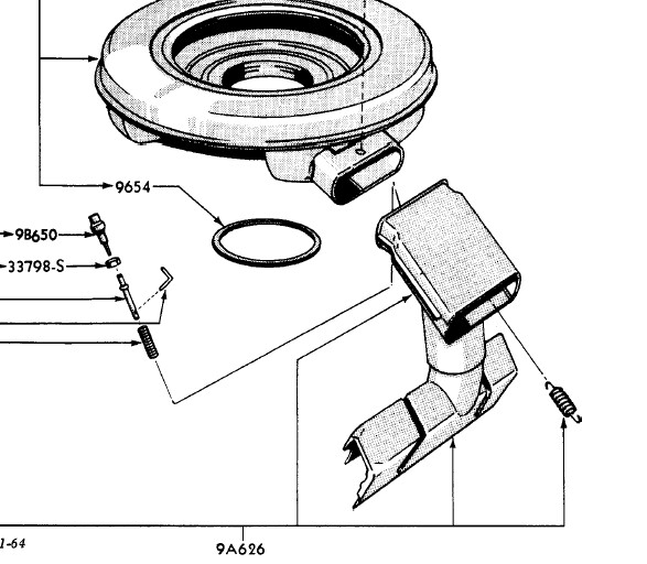
Is this what you are looking for? The picture is for 59 thunderbird 430, but could be similar that you need.


Tero from Nurmijarvi, Finland
56 Country Sedan, 61 F-100, 61 F-600, 55 F-620, 52 Mercury

Attachments
airduct.jpg (142 views, 63.00 KB)
comrade-paul
Posted 17 Years Ago
View Quick Profile
Supercharged

Supercharged (97 reputation)Supercharged (97 reputation)Supercharged (97 reputation)Supercharged (97 reputation)Supercharged (97 reputation)Supercharged (97 reputation)Supercharged (97 reputation)Supercharged (97 reputation)Supercharged (97 reputation)

Group: Forum Members
Last Active: 15 Years Ago
Posts: 97, Visits: 190
I wish I could post a pic. I can't find one of the bit I'm looking for. Its in the workshop manual, but pics on the interweb show cut away engines, or engines with no air cleaner or engines with snazzy chrome air cleaners on. Crazy

  Picture taken in 1960. Funnily enough it still looks like this! BigGrin

1959 Mercury Monterey 312 Y Block.   NORFOLK, ENGLAND, UK.

paul2748
Posted 17 Years Ago
View Quick Profile
Supercharged

Supercharged (6.8K reputation)Supercharged (6.8K reputation)Supercharged (6.8K reputation)Supercharged (6.8K reputation)Supercharged (6.8K reputation)Supercharged (6.8K reputation)Supercharged (6.8K reputation)Supercharged (6.8K reputation)Supercharged (6.8K reputation)

Group: Forum Members
Last Active: Yesterday
Posts: 3.6K, Visits: 497.7K
Post a picture of the piece you are looking for.

Also try www.fordbarn.com . These guys are almost as nice as the ones here.

54 Victoria 312;  48 Ford Conv 302, 56 Bird 312
Forever Ford
Midland Park, NJ

55Birdman
Posted 17 Years Ago
View Quick Profile
Supercharged

Supercharged (1.0K reputation)Supercharged (1.0K reputation)Supercharged (1.0K reputation)Supercharged (1.0K reputation)Supercharged (1.0K reputation)Supercharged (1.0K reputation)Supercharged (1.0K reputation)Supercharged (1.0K reputation)Supercharged (1.0K reputation)

Group: Forum Members
Last Active: 12 Years Ago
Posts: 1.0K, Visits: 4.5K
Check with MACS Auto Parts. He deals parts. www.macsautoparts.com

55Birdman Smile  Hickory NC
comrade-paul
Posted 17 Years Ago
View Quick Profile
Supercharged

Supercharged (97 reputation)Supercharged (97 reputation)Supercharged (97 reputation)Supercharged (97 reputation)Supercharged (97 reputation)Supercharged (97 reputation)Supercharged (97 reputation)Supercharged (97 reputation)Supercharged (97 reputation)

Group: Forum Members
Last Active: 15 Years Ago
Posts: 97, Visits: 190
See this air cleaner?


There is a bit that goes onto the side & then tilts down towards the manifold. I have the wing-nut to hold it in place, but no side piece. The pictures I have in brochures feature this. Does anyone have on they would like to sell me? I like to have my car 100% factory correct if I can.

  Picture taken in 1960. Funnily enough it still looks like this! BigGrin

1959 Mercury Monterey 312 Y Block.   NORFOLK, ENGLAND, UK.



Reading This Topic


Site Meter