Profile Picture

Watre Pump Bypass adapter

Posted By 2DRHRDTP57 17 Years Ago
You don't have permission to rate!
Author
Message
2DRHRDTP57
Posted 17 Years Ago
View Quick Profile
Supercharged

Supercharged (213 reputation)Supercharged (213 reputation)Supercharged (213 reputation)Supercharged (213 reputation)Supercharged (213 reputation)Supercharged (213 reputation)Supercharged (213 reputation)Supercharged (213 reputation)Supercharged (213 reputation)

Group: Forum Members
Last Active: 9 Years Ago
Posts: 207, Visits: 1.8K
I have asked this before I know, but have not come across any to date, does anyone know where you can buy a alloy coolant bypass adaptor?????? If they are available I would buy one, If not I will make one.

Cheers

1957 ________________ Ford

\___((_______________))___/

(@)________V__________(@)

[________I_____I_________]

__[__]__ o_______o___[__]___



Y Blocks, The New Flathead!

PF Arcand
Posted 17 Years Ago
View Quick Profile
Supercharged

Supercharged (5.3K reputation)Supercharged (5.3K reputation)Supercharged (5.3K reputation)Supercharged (5.3K reputation)Supercharged (5.3K reputation)Supercharged (5.3K reputation)Supercharged (5.3K reputation)Supercharged (5.3K reputation)Supercharged (5.3K reputation)

Group: Forum Members
Last Active: Last Year
Posts: 3.3K, Visits: 238.8K
Are you referring to the bypass hose piece at the rear of the water pump? If so, John Mummert in CA, has aluminum or stainless one for about $14.50

Paul
2DRHRDTP57
Posted 17 Years Ago
View Quick Profile
Supercharged

Supercharged (213 reputation)Supercharged (213 reputation)Supercharged (213 reputation)Supercharged (213 reputation)Supercharged (213 reputation)Supercharged (213 reputation)Supercharged (213 reputation)Supercharged (213 reputation)Supercharged (213 reputation)

Group: Forum Members
Last Active: 9 Years Ago
Posts: 207, Visits: 1.8K
Thanks paul, yes that is what I am after, I have not seen it on Johns website any idea of a part number at all, much appreciated, Regards

1957 ________________ Ford

\___((_______________))___/

(@)________V__________(@)

[________I_____I_________]

__[__]__ o_______o___[__]___



Y Blocks, The New Flathead!

GREENBIRD56
Posted 17 Years Ago
View Quick Profile
Supercharged

Supercharged (2.3K reputation)Supercharged (2.3K reputation)Supercharged (2.3K reputation)Supercharged (2.3K reputation)Supercharged (2.3K reputation)Supercharged (2.3K reputation)Supercharged (2.3K reputation)Supercharged (2.3K reputation)Supercharged (2.3K reputation)

Group: Forum Members
Last Active: Last Year
Posts: 1.7K, Visits: 102.7K
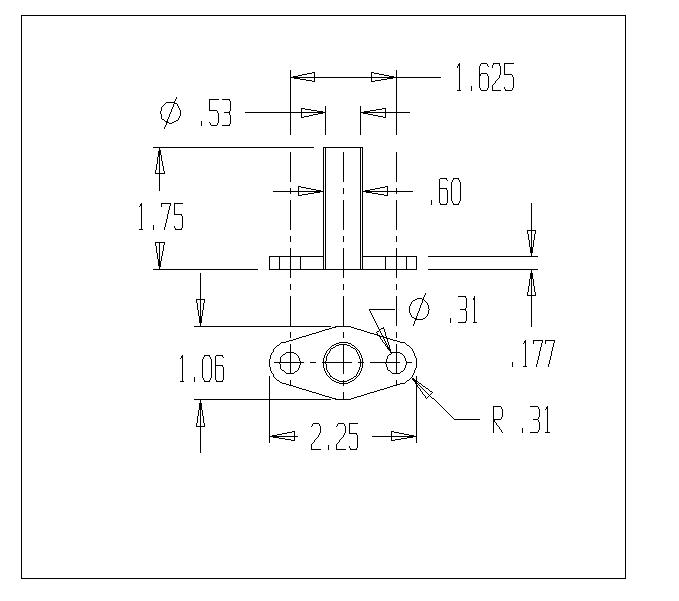
If you have to make one.....

http://forums.y-blocksforever.com/uploads/images/9ea2bf28-00c4-4772-9ac7-d154.jpg 
 Steve Metzger       Tucson, Arizona
Attachments
WATERPUMP BYPASS FITTING.JPG (166 views, 31.00 KB)
WATERPUMP BYPASS FITTING ALJPG.JPG (146 views, 24.00 KB)
2DRHRDTP57
Posted 17 Years Ago
View Quick Profile
Supercharged

Supercharged (213 reputation)Supercharged (213 reputation)Supercharged (213 reputation)Supercharged (213 reputation)Supercharged (213 reputation)Supercharged (213 reputation)Supercharged (213 reputation)Supercharged (213 reputation)Supercharged (213 reputation)

Group: Forum Members
Last Active: 9 Years Ago
Posts: 207, Visits: 1.8K
Nice.......... Thats cool

1957 ________________ Ford

\___((_______________))___/

(@)________V__________(@)

[________I_____I_________]

__[__]__ o_______o___[__]___



Y Blocks, The New Flathead!



Reading This Topic


Site Meter